中文
English
网站首页
关于我们
产品中心
新闻中心
服务支持
联系我们
服务热线:
当前位置:
首页
>
产品中心
>
光具座系列
>
底板系列
电控位移台系列
MRS精密电控旋转台
MTS精密电控平移台
MGC精密电控倾斜台
MVS精密电控升降台
MDOM整体多维电控镜架
MTMS整体多维电控平移台
PAM压电螺钉致动器
LA电动缸
SC步进电机控制器
电控位移台组合示例
手动位移台系列
精密旋转台系列
精密平移台系列
精密升降台系列
精密倾斜台系列
精密角位台系列
整体多轴位移台系列
手动位移台组合系列
光学调整架
新型镜架
光纤调整架
光纤调整架配件
光束转折器
滤波片固定座
衰减器
可调镜片架
柱面镜架
同轴透镜座
反射/分光镜架
反射/分光镜架配件
万向镜架
可调式底片固定架
棱镜台
偏光镜架
光阑系列
狭缝系列
光具座系列
底板系列
压板系列
磁力底座
接杆系列
杆架系列
支撑棒系列
直角固定块系列
光学滑轨系列
光具座配件
光学元件系列
透镜
反射镜
棱镜、偏振片
波片
滤光片
光栅、显微物镜
激光防护眼镜
光学平台系列
光学平板
光学面包板
阻尼隔振光学平台
气浮隔振光学平台
教学型实验平台
光学平台支架
仪器架
光谱仪及锁相放大器系列
WDG-Z光栅单色仪
WPG-Z光栅光谱仪
照明光源及驱动电源
样品室
锁相放大器
光学斩波器
光电探测器及其他
激光器聚光腔系列
固体激光器灯泵石英漫反射聚光腔
工业自动化系列
同步带传动直线运动单元
滚珠丝杠传动直线运动单元
颜色测量仪器
白度计
色差计
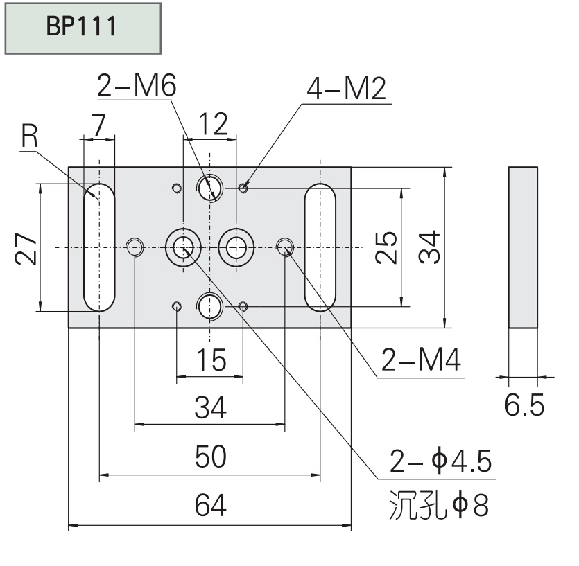
BP111型底板
用途:将各种调整架组合使用,各种调节台间转接,或安装于工作台面上
分享到:
3D图纸下载
产品介绍
产品参数
BP111型底板
自重:0.1KG
关联产品:
PTS100系列平移台