- 产品介绍
- 产品参数
|
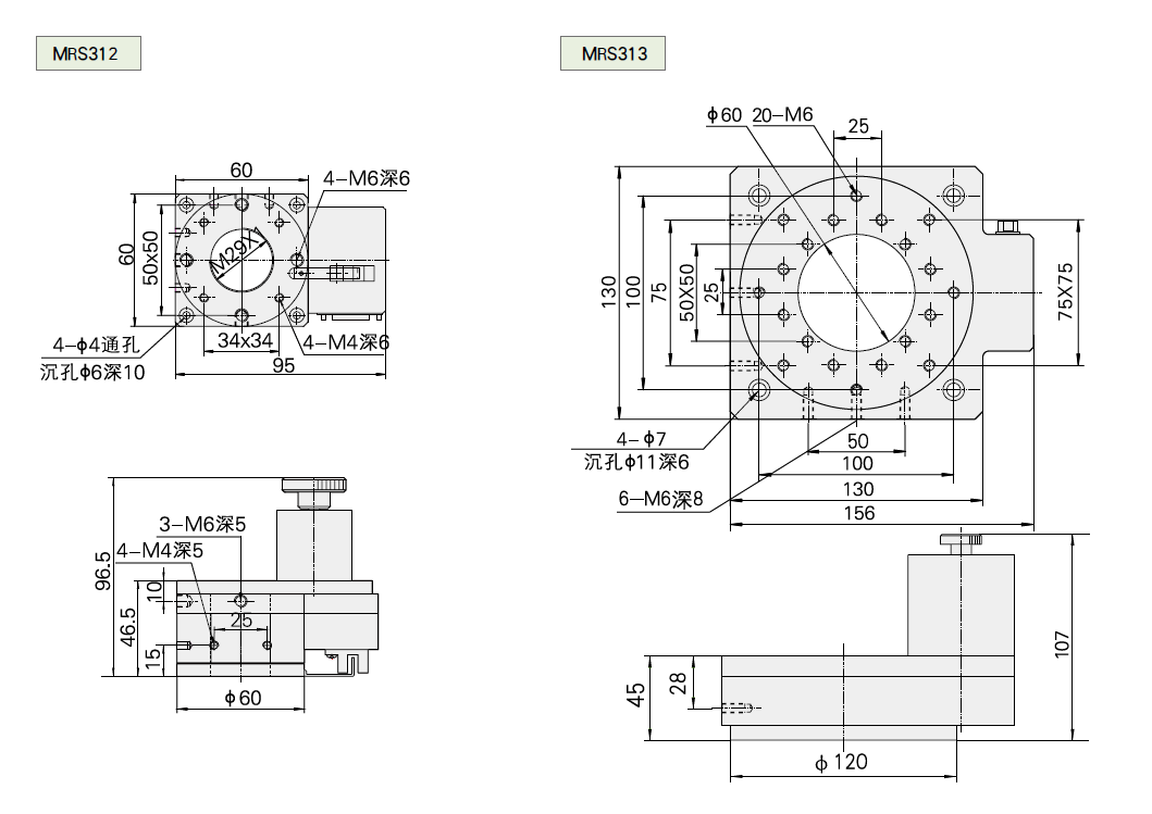
型号 |
MRS312 |
MRS313 |
|
台面直径(mm) |
60 |
120 |
|
传动比 |
3:1 |
6:1 |
|
驱动方式 |
齿轮 |
|
|
最小分辨率 |
0.009° |
0.0047° |
|
重复定位精度 |
±0.004° |
±0.004° |
|
极限速度 |
250°/s |
250°/s |
|
步进电机(1.8°) |
35步进电机 |
56步进电机 |
|
极限静转矩(Ncm) |
10 |
60 |
|
中心负载(kg) |
3 |
15 |
|
自重(kg) |
0.5 |
2.6 |
|
备注 |
应用真空环境中,需单独订货 |
|










