- 产品介绍
- 产品参数
|
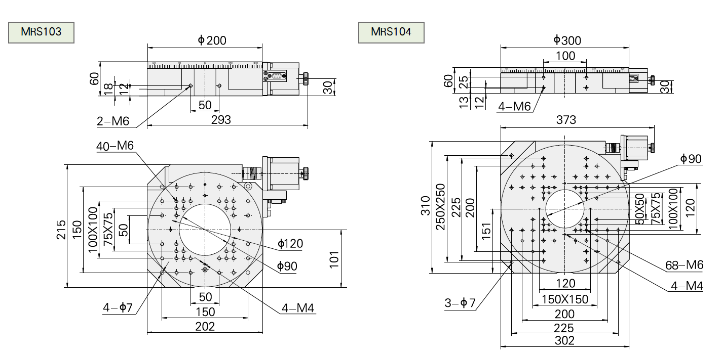
型号 |
MRS101 |
MRS102 |
MRS103 |
MRS104 |
MRS105 |
|
台面直径(mm) |
60 |
100 |
200 |
300 |
400 |
|
传动比 |
90:1 |
180:1 |
180:1 |
270:1 |
720:1 |
|
分辨率 |
0.0003° |
0.0002° |
0.0002° |
0.0001° |
0.000039° |
|
重复定位精度 |
<0.01° |
<0.005° |
<0.004° |
<0.0035° |
<0.003° |
|
极限速度 |
50°/s |
25°/s |
15°/s |
12.5°/s |
6°/s |
|
步进电机(1.8°) |
42步进电机 |
56步进电机 |
|||
|
极限静转矩(Ncm) |
40 |
40 |
80 |
80 |
80 |
|
极限中心负载(kg) |
30 |
50 |
60 |
70 |
80 |
|
自重(kg) |
0.9 |
1.8 |
7.2 |
13.5 |
37.5 |
|
备注 |
应用真空环境中,需单独订货 |
||||















