中文English
服务热线:
当前位置:首页>产品中心>光学调整架>新型镜架
两维倾斜调整
角度调节范围:±3°
0.25 细牙螺杆调节 拉簧复位,稳定性好
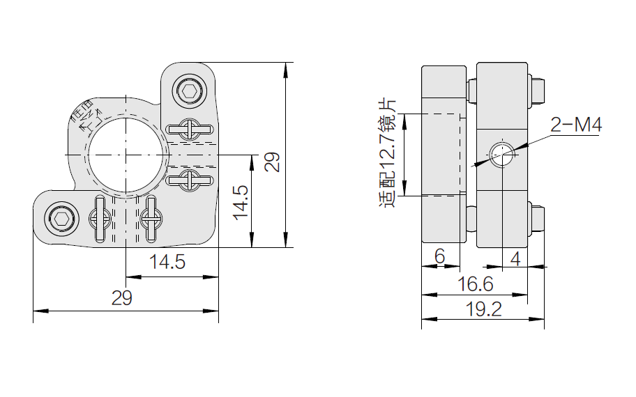
M4尼龙头顶丝固定光学元件
型号 OMA201 OMA202 夹持直径(mm) 12.7 25.4 通光孔径(mm) 11.6 23.8 每圈分辨率 0.72° 0.39° 固定螺纹 M4 M6或M4沉头 调整范围 ±3º ±3º 夹持厚度(mm) 2-6 2-7
型号
OMA201
OMA202
夹持直径(mm)
12.7
25.4
通光孔径(mm)
11.6
23.8
每圈分辨率
0.72°
0.39°
固定螺纹
M4
M6或M4沉头
调整范围
±3º
夹持厚度(mm)
2-6
2-7