当前位置:首页>产品中心>手动位移台系列>精密旋转台系列

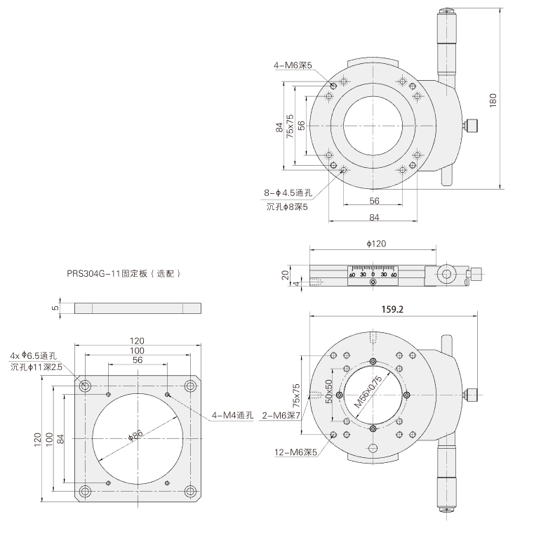
PRS304G精密旋转台


    采用高精密交叉滚柱轴承

    微分头驱动

    高精密差分读数

    超薄型手动旋转,高负载能力

    主体不锈钢材质


  • 产品介绍
  • 产品参数


采用高精密交叉滚柱轴承      超薄型手动旋转台,高负载能力

微分头驱动                         主体不锈钢材质

高精密差分读数

型号

 PRS304G 

台面直径(mm)
120
驱动方式
微分头
读数方式
游标读数
分辨率
4″
粗调范围
360°
精调范围
±5°
最小刻度

最小读数
5’
******中心负载(kg)
水平35kg
自重(kg)
3