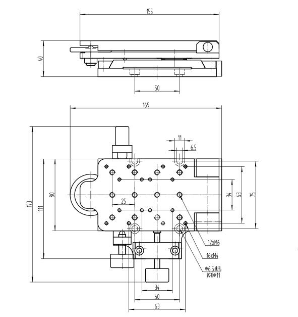
TMS401 multi-axis positioning stage
1.The stages allow for 3-axis adjustments.
2. Actuated with dovetail slide guides.
3. Driven withfine teeth screw rods.
4. Resetspringeliminates return backlash.
5.TMS401 can be combined withVTS
seriesstages to provide four-axisadjustment capability.
- description
- parameters
|
Model |
TMS401 |
|
Travel(mm) |
Ty:±10 |
|
Adjusting range of translation |
θz:±2.5° |
|
Adjusting range of pitch |
θy:3° |
|
Loading capacity |
10 |
|
Weight(kg) |
3 |








